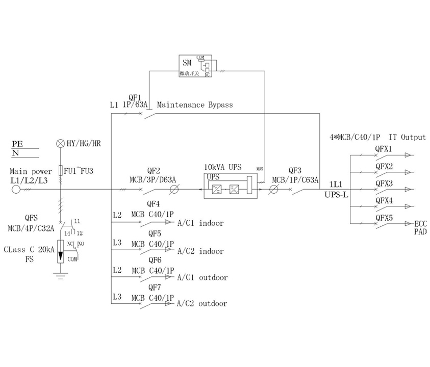
UPS(UninterruptiblePowerSystem/UninterruptiblePowerSupply),即不間斷電源,是將蓄電池(多為鉛酸免維護蓄電池)與主機相連接,通過主機逆變器等模塊電路將直流電轉換成市電的系統設備。主要用于給單臺計算機、計算機網絡系統或其它電力電子設備如電磁閥、壓力變送器等提供穩定、不間斷的電力供應。當市電輸入正常時,UPS將市電穩壓后供應給負載使用,此時的UPS就是一臺交流市電穩壓器,同時它還向機內電池充電;當市電中斷(事故停電)時,UPS立即將電池的直流電能,通過逆變零切換轉換的方法向負載繼續供應220V交流電,使負載維持正常工作并保護負載軟、硬件不受損壞。UPS設備通常對電壓過高或電壓過低都能提供保護。
機房建設我們更懂




address深圳市光明區馬田街道合水口社區中糧云景廣場第1棟1707
phone4000-134-913 或 18124688722
maillihui.xue@fastchina.net
在線客服
電話咨詢
定制方案
微信添加
返回頂部